Inquiry
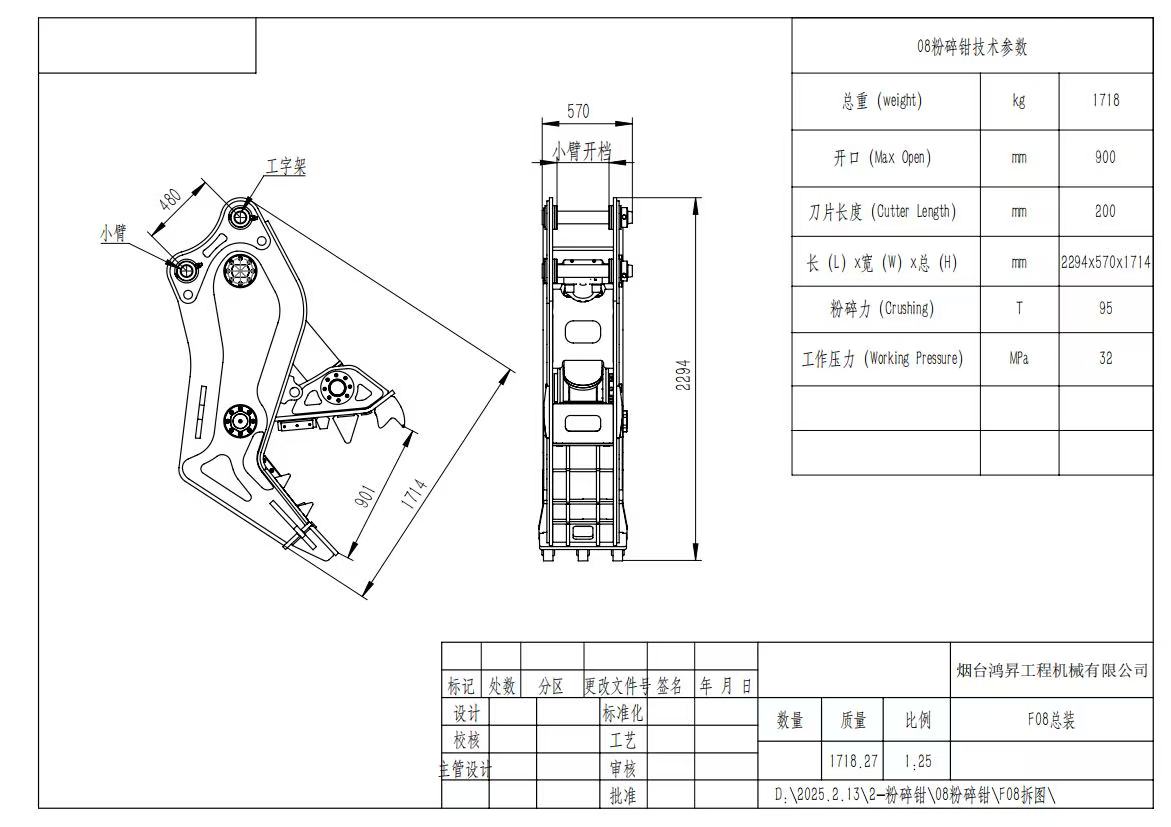
HS hydraulic pulverizer has excellent performance and durability.
It is the ideal tool for secondary emolition and recycling of reinforced concrete structures. It is made of hardox and wear resistant NM400 steels. The cylinder is special design with high power and speed. The blade can crush the concrete block strongly and separate the reinforcing steel bar quickly. The blade is made of special materials with high strength and can be replaced. Both non rotation and 360°rotation are available.

